TS 4000 S * Amortizor aplicat cu braț pentru uși cu un canat cu lățime a canatului de până la 1400 mm cu întârziere la închidere
- Forță de închidere reglabilă fără trepte EN 2-6
- Se poate utiliza pentru ușile cu opritor pe partea dreaptă și stângă, fără inversare
- Întârziere la închidere reglabilă, pentru a adapta viteza de închidere a ușii la un unghi de deschidere de până la cca 80°
- Forță de capăt hidraulică, care accelerează ușa cu puțin timp înaintea poziției închis
- Viteza de închidere se poate adapta individual
- Amortizarea integrată a deschiderii frânează ușile împinse puternic
- Afișaj optic al forței de închidere, pentru controlul ușor al setării
- Toate funcțiile se pot regla din față
Zone de aplicare
- Uși rezistente la foc și de protecție antifum
- Uși oscilante dreapta și stânga
- Uși oscilante cu o lățime a canatului de până la 1400 mm
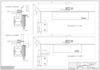
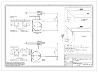
- Montaj pe foaia de ușă pe partea balamalelor
- Montaj pe toc partea opusă balamalelor
Specificațiile produsului
| TS 4000 S | |
| Forță de închidere conform EN 1154 | EN 2 - 6 |
| Fără bariere conform DIN 18040, până la o lățime (max.) a canatului, în mm | 1100 mm |
| Lățime canat (max.) | 1400 mm |
| Tip de montaj | Montaj pe foaia de ușă pe partea balamalelor |
| Unghi de deschidere (max.) | 180 ° |
| Compatibilitate uși rezistente la foc | Da |
| Forță de închidere reglabilă | Da, continuu |
| Viteză de închidere reglabilă | Da |
| Forță de capăt reglabilă | Da, prin intermediul supapei |
| Amortizarea deschiderii integrată | Da, reglabilă hidraulic |
| Întârziere la închidere integrată | Da |
| Poziție de modificare a forței de închidere | Față |
| Afișaj optic al forței de închidere | Da |
| Blocare în poziție | Opțional |
Descărcări
Variante și accesorii
* Notă cu privire la produsele afișate
Produsele menționate mai sus pot varia în ceea ce privește forma, tipul, caracteristicile și funcțiile (designul, dimensiunile, disponibilitatea, aprobările, standardele etc.) în funcție de țară. Dacă aveți întrebări, vă rugăm să contactați persoana dvs. de contact GEZE sau să ne trimiteți un E-Mail .