Levolan

Levolan 60 complete set * Levolan sliding door fitting for leaf weights up to 60 kg

Levolan 60 A sophisticated solution for the easy functional design and effortless movement of manual sliding door in internal applications
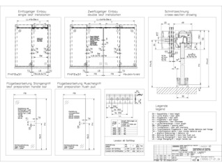
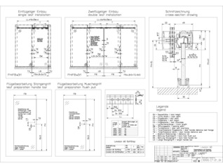
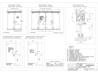
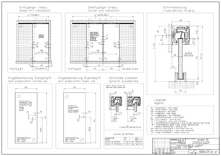
  • Design sliding door fitting for glass and timber leaves
Contact us

Application Areas

  • For leaf weights up to 60 kg
  • For glass elements toughened safety glass 8, 10 and 12 mm as well as laminated safety glass up to 10 mm (with additional LSG kit) and timber leaves up to a weight of 60 kg
  • For wall and ceiling installation
  • Suitable for interior use

Technical data

Levolan 60 complete set
Leaf material Glass, Plastic, Metal, Wood
Leaf weight (max.) 60 kg
Leaf weight (max.) with draw-in damper 60 kg
Number of leaves 1-leaf, 2-leaf
Leaf width (min.) 400 mm
Leaf width (max.) 1240 mm
Test cycles 100000
Corrosion protection class 3
Pane thickness 8 - 12 mm
Type of installation Wall, Ceiling
Side panel Yes

Downloads

Variants & Accessories

Contact

GEZE Central +40-212-507-750 GEZE Service Central +40-316-201-257