TS 4000 EN 5-7 cu braț de blocare în poziție deschisă * Amortizor aplicat cu braț pentru uși cu un canat cu lățime a canatului de până la 1600 mm
- Forță de închidere reglabilă în trepte de EN 5-7
- Se poate utiliza pentru ușile cu opritor pe partea dreaptă și stângă, fără inversare
- Sistem de blocare mecanică în poziție prin intermediul brațului de blocare în poziție cu interval de blocare în poziție de 70°-150°
- Forță de capăt hidraulică, care accelerează ușa cu puțin timp înaintea poziției închis
- Viteza de închidere se poate adapta individual
- Frână de deschidere integrată, frânează ușile deschise puternic
- Afișaj optic al forței de închidere, pentru controlul ușor al setării
- Toate funcțiile se pot regla din față (cu excepţia forței de capăt)
Zone de aplicare
- Uși oscilante dreapta și stânga
- Menținere în poziție a ușii fără cerințe de protecție antifum și antiincendiu
- Uși oscilante cu o lățime a canatului de până la 1600 mm
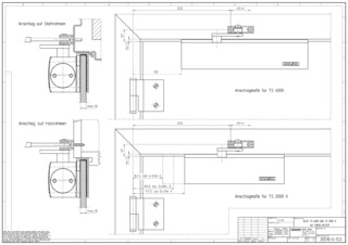
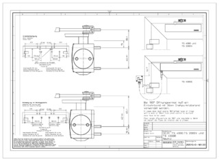
- Montaj pe foaia de ușă pe partea balamalelor
Specificațiile produsului
| TS 4000 EN 5-7 cu braț de blocare în poziție deschisă | |
| Forță de închidere conform EN 1154 | EN 5 - 7 |
| Lățime canat (max.) | 1600 mm |
| Tip de montaj | Montaj pe foaia de ușă pe partea balamalelor |
| Unghi de deschidere (max.) | 180 ° |
| Compatibilitate uși rezistente la foc | Nu |
| Forță de închidere reglabilă | Da, continuu |
| Viteză de închidere reglabilă | Da |
| Forță de capăt reglabilă | Da, prin intermediul brațului |
| Amortizarea deschiderii integrată | Da, reglabilă hidraulic |
| Poziție de modificare a forței de închidere | Față |
| Afișaj optic al forței de închidere | Da |
| Blocare în poziție | Mecanic |
| Interval de blocare în poziție | 50 ° - 170 ° |
Descărcări
Variante și accesorii
* Notă cu privire la produsele afișate
Produsele menționate mai sus pot varia în ceea ce privește forma, tipul, caracteristicile și funcțiile (designul, dimensiunile, disponibilitatea, aprobările, standardele etc.) în funcție de țară. Dacă aveți întrebări, vă rugăm să contactați persoana dvs. de contact GEZE sau să ne trimiteți un E-Mail .