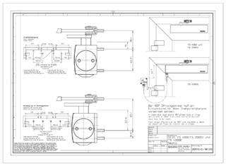
TS 4000 EN 1-6 * Amortizor aplicat cu braț pentru uși cu un canat cu lățime a canatului de până la 1400 mm
- Forță de închidere reglabilă fără trepte (cu selectare liberă) la EN 1-6
- Se poate utiliza pentru ușile cu opritor pe partea dreaptă și stângă, fără inversare
- Forță de capăt mecanică, care accelerează ușa cu puțin timp înaintea poziției închis
- Viteza de închidere se poate adapta individual
- Amortizarea integrată a deschiderii frânează ușile împinse puternic
- Afișaj optic al forței de închidere, pentru controlul ușor al setării
Zone de aplicare
- Uși rezistente la foc și de protecție antifum
- Uși oscilante dreapta și stânga
- Uși oscilante cu o lățime a canatului de până la 1400 mm
- Montaj pe foaia de ușă pe partea balamalelor
- Montaj pe toc partea opusă balamalelor
- Pentru montaj cu braț paralel pe partea opusă balamalelor a foii de ușă
Specificațiile produsului
| TS 4000 EN 1-6 | |
| Forță de închidere conform EN 1154 | EN 1 - 6 |
| Fără bariere conform DIN 18040, până la o lățime (max.) a canatului, în mm | 1100 mm |
| Lățime canat (max.) | 1400 mm |
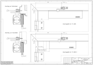
| Tip de montaj | Montaj pe foaia de ușă pe partea balamalelor, Montaj pe toc partea opusă balamalelor |
| Unghi de deschidere (max.) | 180 ° |
| Compatibilitate uși rezistente la foc | Da |
| Forță de închidere reglabilă | Da, continuu |
| Viteză de închidere reglabilă | Da |
| Forță de capăt reglabilă | Da, prin intermediul brațului |
| Amortizarea deschiderii integrată | Da, reglabilă hidraulic |
| Poziție de modificare a forței de închidere | Față |
| Afișaj optic al forței de închidere | Da |
| Blocare în poziție | Opțional |
Descărcări
LABELLING OBLIGATION: © GEZE GmbH
Variante și accesorii
* Notă cu privire la produsele afișate
Produsele menționate mai sus pot varia în ceea ce privește forma, tipul, caracteristicile și funcțiile (designul, dimensiunile, disponibilitatea, aprobările, standardele etc.) în funcție de țară. Dacă aveți întrebări, vă rugăm să contactați persoana dvs. de contact GEZE sau să ne trimiteți un E-Mail .